碳化硅(SiC)二极管对PFC系统性能提升的分析
交过电费的人都知道,同样是使用电网中的电能,为什么工业用电和居民用电的价格却不尽相同呢?
大多数人也许会给出这样一个答案:“工业用电是要创造价值,进行商业盈利的;其次就是工业设备污染环境比较多;再次就是工业用电的传输成本高。”这个答案说明了一些问题,但是如果您具备专业知识,或者通过学习,了解了什么是功率因数,那么您肯定能给出更专业的答案:“工业中使用的用电设备多为电感或电容性设备,其功率因数相对居民用电设备的功率因数较低,造成了电网中无功功率较高,电力公司需要多发电来维持这个无功功率,浪费了这部分的电能,所以工业用电用户就需要为这部分浪费的电能买单。”
那么我们有什么方法来降低无功功率,或者说如何把功率因数提升到最佳值呢?伟大的科学家们已经帮我们研究出了解决办法:功率因数校正。提高用电设备功率因数,使其接近1的技术就称为功率因数校正--PFC。
对于大功率用电器是十分需要PFC的,他能提高我们用电的效率,降低我们的用电成本,不仅仅自己用上了高品质产品,同时还能保护到国家的电网。
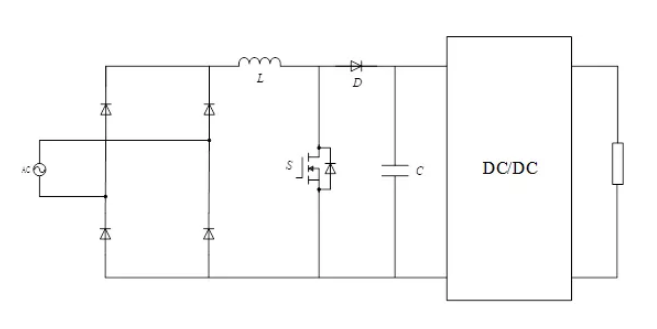
单项基本PFC拓扑如图所示,交流电经整流后,通过PFC进行相位处理,通过这样的方式提高系统的用电效率,减少无功功率。
PFC部分主体是一个BOOST电路,这里的电容C作为储能元件,同时又有滤波的作用,为了为电感L1进行续流,这里加入了二极管D1,来保证电容稳定的为后续电路供电,这个二极管会一直工作在高速开关状态,所以需要高工作频率的二极管。因为提高系统频率有利于降低电感和电容这些储能元件的体积,对于系统减积减重十分有好处。
如果应用在高电压大功率的场合,这里就需要选择快恢复二极管,或者是碳化硅二极管。这两种材料都可以提供高频率与高电压,适用于大功率场合。
目前在PFC中,二极管D1有在用快恢复二极管和碳化硅二极管,碳化硅二极管能提供更高的开关速度和极小的反向恢复电流,在大功率系统中能更好的降低损耗。
但碳化硅二极管相比于硅材质的快恢复二极管拥有更优秀的反向恢复时间,(快恢复二极管一般反向恢复时间为50ns左右;碳化硅二极管反向恢复时间一般在10ns以内)与极少的反向恢复电流,这能大大降低MOSFET和二极管开关过程中产生的损耗。根据能量守能,能量不会凭空的产生或消失,损耗的能量大部分都以热能的形式散失,这会使系统温度升高。
经验表明,在电路系统中,温度每升高10℃,系统失效的可能性就会加倍,过高的功率器件的温升甚至会导致整个电源的热失效,应用碳化硅器件能帮助您降低系统工作温度,提升系统可靠性。
K8一触即发人生赢家的碳化硅肖特基二极管G3S06510A等器件已经广泛应用到各类PFC系统中,我们可以为您的产品带来更高的效率,以及更高的功率密度和更小的系统尺寸。
我们还能提供更低的价格和更短的交期,欢迎您来咨询。
联系电话:010-82156177
公众号:globalpowertech